[VYŘEŠENO] Kmitani ocasu ve visu
Myslim, ze u vetsiny heli s tim neni problem. Obcas se najde ale nejake nestandardni servo, kde neco vadi.
Spirit System developer
Tak mi to nedalo a vymenil jsem par dilu ve vrtulce za kovove dily. Ty puvodni plastove meli par os bez lozisek s vulemi, navic umelohmotna paka trochu pruzila. Ted uz to je bez vuli, vsechno jde krasne zlehka. Ale jenom kdyz se vrtulka netoci. Pred tim jsem to sice zkousel i v otackach, ale s listami a proto jen v nizkych.
Ted jsem listy sundal, odpodil tahlo a roztocil na otacky ve ktreych letam. Smykatko bylo na zacatku v krajne poloze. Po roztoceni se za chvilu posunulo prblizne do stredu a jde s nim hybat dost ztezka. Nemate nekdo napad cim to muze byt? Drzak listu ma 2 loziska (nove japonce z Tobexu), u osy vetsi, na konci mensi. Mezi mensim a sroubem je podlozka, ktera ma stred tlustsi a tim doseda na stred vnejsiho loziska...
Ted jsem listy sundal, odpodil tahlo a roztocil na otacky ve ktreych letam. Smykatko bylo na zacatku v krajne poloze. Po roztoceni se za chvilu posunulo prblizne do stredu a jde s nim hybat dost ztezka. Nemate nekdo napad cim to muze byt? Drzak listu ma 2 loziska (nove japonce z Tobexu), u osy vetsi, na konci mensi. Mezi mensim a sroubem je podlozka, ktera ma stred tlustsi a tim doseda na stred vnejsiho loziska...
TDF, TDR, Logo 600SX, Oxy 4 Max @ 3Digi, VBar Neo, Spirit, Grapuner mz-32, mx-20
Nebo to je normalni? Ta poloha ve ktere se to ustali je stav, kdy jsou "chcapliky" (nevim jak se to spravne jmenuje
) kterymi jsou gripy ovladany, ve stredu, tj. odstrediva sila je da to tehle polohy...
EDIT: jsou na nabezne hrane listu. Mozna bych je mel otocit na odtokovou?
EDIT: jsou na nabezne hrane listu. Mozna bych je mel otocit na odtokovou?
TDF, TDR, Logo 600SX, Oxy 4 Max @ 3Digi, VBar Neo, Spirit, Grapuner mz-32, mx-20
Pokud tam nejsou vrtulkove listy, tak toto normalni bohuzel neni.
Je to velmi casta pricina toho, ze vrtulka nefunguje jak ma - nejde nikdy doladit k dokonalosti. Napr. to kmitani ve visu, spatne zastavovani, uhybani vrtulky. Cim je servo rychlejsi, tim si s tim lepe poradi ale problem tam je stale
Stejny problem jsme resili ve vlaknu Prekmity vrtulky, kde jsme nakonec dohledali chybu uvnitr gripu vrtulky - take sly ztuha.
Vetsinou za to mohou axialy, neco uvnitr chybi nebo nesedi spravne.
Je to velmi casta pricina toho, ze vrtulka nefunguje jak ma - nejde nikdy doladit k dokonalosti. Napr. to kmitani ve visu, spatne zastavovani, uhybani vrtulky. Cim je servo rychlejsi, tim si s tim lepe poradi ale problem tam je stale
Stejny problem jsme resili ve vlaknu Prekmity vrtulky, kde jsme nakonec dohledali chybu uvnitr gripu vrtulky - take sly ztuha.
Vetsinou za to mohou axialy, neco uvnitr chybi nebo nesedi spravne.
Spirit System developer
Axialne loziska ve vrtulce nejsou. Jak jsem psal, jsou tam 2 radialy, vetsi u osy, mensi na konci a podlozka mezi sroubem a vnejsim radialnim loziskem, ktere prenasi tlak sroubu na vnitrni cast loziska. Loziska v gripech jsem tenhle tyden menil za ta z Tobexu. Predpokladam, ze ze ty problemy s ocasem co jsem mel od zacatku (a mel jsem tam puvodni loziska), jsou zpusobene timhle, takze to loziskama asi nebude.
Tak ja tedy jeste zkusim vymenit smykatko.
Tak ja tedy jeste zkusim vymenit smykatko.
TDF, TDR, Logo 600SX, Oxy 4 Max @ 3Digi, VBar Neo, Spirit, Grapuner mz-32, mx-20
Smykatko nemusis menit, staci otestovat zase roztocenim vrtulky, tentokrat bez gripu.
Ale tipuji, ze tam problem nebude. Jedine, ze by tam nevychazelo presne uchyceni ke gripum.
Ale tipuji, ze tam problem nebude. Jedine, ze by tam nevychazelo presne uchyceni ke gripum.
Spirit System developer
Tak to bude urcite nekde v gripech. Dulezita je vzdalenost toho gripu od hridele. Musi sedet presne, jinak bude tlacit do smykatka odstredivou silou a tim to pujde ztuha. Takze bych proveril treba podlozky v gripech, zda jsou tak hrube jak maji byt a take loziska, zda opravdu sedi.
Spirit System developer
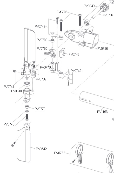
Ona je ta mechanika na Mini Titanovi dost jednoducha, viz obrazek. Na hlave vyrovnavaciho rotoru je primo lozisko, grip, lozisko, podlozka, sroub. Jeste jednou jsem to prosel a prijde mi, ze to mam spravne. Zkusil jsem nechat trochu mezeru pri uchyceni gripu ke spojce, ale efekt zadny...
Nemuze byt opravdu problem ve smykatku? Tam je prece taky nejake lozisko, ne?
Jinak se mi dostal z cerviku zajistujiciho hlavy oasniho rotoru Locktite mezi hlavu a osu a ted ji ani zanic nemuzu sundat. Mate na to nejaky recept? Zatim se zda, ze budu muset rozrezat osu a rozebrat domek...
Nemuze byt opravdu problem ve smykatku? Tam je prece taky nejake lozisko, ne?
Jinak se mi dostal z cerviku zajistujiciho hlavy oasniho rotoru Locktite mezi hlavu a osu a ted ji ani zanic nemuzu sundat. Mate na to nejaky recept? Zatim se zda, ze budu muset rozrezat osu a rozebrat domek...
TDF, TDR, Logo 600SX, Oxy 4 Max @ 3Digi, VBar Neo, Spirit, Grapuner mz-32, mx-20
