Nahrat, treba pajkou. Loctite by mel povolit.
K te tuhosti unasecu.. Zkus nedotahnout sroubky na krev a vyzkousej to znovu.
[VYŘEŠENO] Kmitani ocasu ve visu
Na krev jsem to nemel utazene ani pred tim. Ted jsem vsechny trohu sroubky povolil, ale stale to je stejne. Bez toceni nahnu vrtulnik a smykatko se samo posune. Roztocim a musim vyvynout dost silu abych ho posunul do krajni polohy...
TDF, TDR, Logo 600SX, Oxy 4 Max @ 3Digi, VBar Neo, Spirit, Grapuner mz-32, mx-20
Ty loziska jsi menil dle tech co tam byly a nebo rozmeru z manualu?
Treba tam dali spatne.
Prip. nevysly nejake upravene verze MT?
Nedaji se dat ty podlozky spatne? Nejsou tam jine nez maji byt?
Treba tam dali spatne.
Prip. nevysly nejake upravene verze MT?
Nedaji se dat ty podlozky spatne? Nejsou tam jine nez maji byt?
Spirit System developer
Loziska jsou spravne (podle rozpisu z manualu). Puvodne tam byli taky spravne, je o neco vice nez bylo potreba
. Nebyla tam tak koncova podlozka, tu jsem tam dal z nahrandich dilu. Pokud vim, tak zadne modifikace nevysli. Existuje Mini Titan v2, ale ten ma uplne jiny ram a ja bych mel mit v1.
Opravdu ma pri "plnych" otackach chodit smykatko uplne lehce? Mozna doslo jenom k nedorozumeni... Kdyz se to prece toci, tak pusobi odstrediva sila i na drzaky gripu a tedy to prirozene sklouzne do neutrlani pozice, ne? Neni urcity odpor normalni?
Napsal jsem jeste dotaz na rcmanii, prece jen tam chodi vice lidi a snad i nejaky majitel MT. Dostal jsem radu, ze mozna neni rovna hridel, vymenil jsem ji vcetne lozisek, ale stale se to chova stejne...
Opravdu ma pri "plnych" otackach chodit smykatko uplne lehce? Mozna doslo jenom k nedorozumeni... Kdyz se to prece toci, tak pusobi odstrediva sila i na drzaky gripu a tedy to prirozene sklouzne do neutrlani pozice, ne? Neni urcity odpor normalni?
Napsal jsem jeste dotaz na rcmanii, prece jen tam chodi vice lidi a snad i nejaky majitel MT. Dostal jsem radu, ze mozna neni rovna hridel, vymenil jsem ji vcetne lozisek, ale stale se to chova stejne...
TDF, TDR, Logo 600SX, Oxy 4 Max @ 3Digi, VBar Neo, Spirit, Grapuner mz-32, mx-20
Kdyby byl problem v loziskach, nebo v tom, ze roztoceny grip tlaci na smykatko, tak by pri roztoceni smykatko zustalo v pozici, jenom by slo ztezka, ne? Ted se ale pri rotaci, vrati z libovolne pozice do "neutralu".
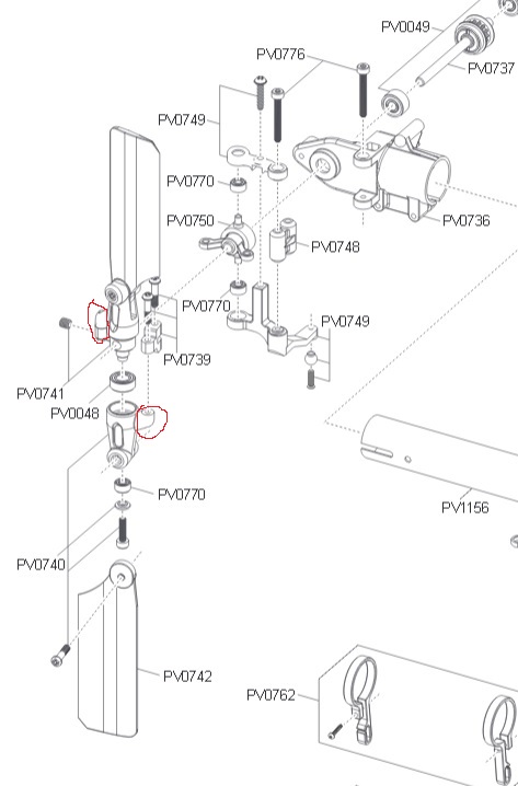
Nevim jak se to spravne vola, tak jsem to vyznacil cervene v obrazku. Pri roztoceni na cervene oznacene "chcapliky" (a asi i na spojky, kterymi je grip napojen na smykatko) pusobi odstrediva sila, takze se grip otoci do pozice, kde jsou co nejvice vzdalene od osy, tj. cca nulovy uhel nabehu. Pri hybani smykatkem musim prekonavat tuto odstredivou silu. Cim vice tocim, tim vice to pujde ztezka. Nebo mam v uvaze nekde chybu?
Nevim jak se to spravne vola, tak jsem to vyznacil cervene v obrazku. Pri roztoceni na cervene oznacene "chcapliky" (a asi i na spojky, kterymi je grip napojen na smykatko) pusobi odstrediva sila, takze se grip otoci do pozice, kde jsou co nejvice vzdalene od osy, tj. cca nulovy uhel nabehu. Pri hybani smykatkem musim prekonavat tuto odstredivou silu. Cim vice tocim, tim vice to pujde ztezka. Nebo mam v uvaze nekde chybu?
TDF, TDR, Logo 600SX, Oxy 4 Max @ 3Digi, VBar Neo, Spirit, Grapuner mz-32, mx-20
Otazka je jak hodne ztezka to jde. To asi neposoudime pres internet. Samozrejmne ta odstrediva sila nejakou roli hrat bude. MT neznam. Nikdy jsem ho nemel ani v ruce. A abych se priznal, tak jsem to takhle nezkousel snad nikdy. Budto vrtulka funguje nebo ne. Pak resim vzdycky jako prvni mechaniku.
Pokud se ti to ted po vymene dilu zda lepsi, vezmi to do vzduchu a uvidis. Treba to fungovat bude a ted jen honis duchy.
Jen jeste jedna uvaha, o ktere ale si nejsem uplne jisty. Pokud je ta hmota ( paka ) pred osou otaceni, nemela by mit naopak tendenci utikat ze stredu ? Zkousim si to predstavit a takhle mi to vychazi. Ale muzu se mylit.
Toci se ti vrtulka na spravnou stranu ? Z pohledu na ni proti hodinam ? Jsou paky na unasecich pak na nabezne strane listu ? Mozna ty otazky vypadaji blbe, ale vim, ze obcas se do toho clovek zamota a nevidi pak zasadni veci.
Pokud se ti to ted po vymene dilu zda lepsi, vezmi to do vzduchu a uvidis. Treba to fungovat bude a ted jen honis duchy.
Jen jeste jedna uvaha, o ktere ale si nejsem uplne jisty. Pokud je ta hmota ( paka ) pred osou otaceni, nemela by mit naopak tendenci utikat ze stredu ? Zkousim si to predstavit a takhle mi to vychazi. Ale muzu se mylit.
Toci se ti vrtulka na spravnou stranu ? Z pohledu na ni proti hodinam ? Jsou paky na unasecich pak na nabezne strane listu ? Mozna ty otazky vypadaji blbe, ale vim, ze obcas se do toho clovek zamota a nevidi pak zasadni veci.
Vrtulka se toci spravne a paky mam na nabezne hrane. Vcera jsem je zkousel dat i na odtokovou (musel jsem potom zmenit orientaci gyra, kompnezaci piruet), ale je to to same. Vcera jsem si ale neuvedomil, ze to je vlastne z pohledu toho co resim jedno. Gripy proste rotuji a na vsechno co neni v ose otaceni pusobi odstrediva sila. Grip jako takovy ma tendenci "odletet", ten ale drzi sroub, ktery ale pres podlozku a vnejsi lozisko umoznuje jeho nataceni. Dale taky pusobi odstrediva sila na ten chcaplik, sila pusobi smerem ven, takze chcaplik se "chce" dostat co nejdale od osy otaceni. Je ale pevne spojeny s gripem, ktery se muze diky uchyceni natacet, takze se natoci tak, ze je chcaplik co nejdale od osy, tj. nulovy uhel nabehu. V praxy to bude komplikovanejsi, protoze na ten chcaplik jsou jeste pripojene ty spojky, takze teziste bude posunute...
Ja jsem vychazel z toho, co jsi psal, kdyz jste v jinem vlakne resili ty axialni loziska, ze to ma po rozroceni chodit volne. Pri nizsich otackach to je i u mne OK, ale kdyz to dam jak jsem psal, na letove otacky, tak to jde vice z tezka. No a ja nemam zadne zkusenosti, takze nemam srovnani... Ted to ale bez otacek a pri nizsich otackcach chodi opravdu lehce, tak to ve ctvrtek vemu ven a uvidim
Ja jsem vychazel z toho, co jsi psal, kdyz jste v jinem vlakne resili ty axialni loziska, ze to ma po rozroceni chodit volne. Pri nizsich otackach to je i u mne OK, ale kdyz to dam jak jsem psal, na letove otacky, tak to jde vice z tezka. No a ja nemam zadne zkusenosti, takze nemam srovnani... Ted to ale bez otacek a pri nizsich otackcach chodi opravdu lehce, tak to ve ctvrtek vemu ven a uvidim
TDF, TDR, Logo 600SX, Oxy 4 Max @ 3Digi, VBar Neo, Spirit, Grapuner mz-32, mx-20
Ja tu metodu roztoceni zkousim casto. Vzdycky jsem se setkal s tim, ze nefungujici vrtulka = jde ztuha pod zatezi.
Ja mam dve heli, kde jsou ve vrtulce jen radialni loziska. Oboji to chodi stejne hladce, jako bez zateze, smykatko se ale do stredu lehce vraci - to je normalni.
MT ale taky neznam - opravdu zalezi na tom jak moc to jde ztuha. Treba to je v norme.
Ja mam dve heli, kde jsou ve vrtulce jen radialni loziska. Oboji to chodi stejne hladce, jako bez zateze, smykatko se ale do stredu lehce vraci - to je normalni.
MT ale taky neznam - opravdu zalezi na tom jak moc to jde ztuha. Treba to je v norme.
Spirit System developer
Zkusil jsem za listy pomerne dost tahat a v tahu nimi pootacet. Slo to zlehka, tak snad v loziskach problem neni. Kolem neutralni pozice jde smykatkem hybat relativne zlehka i pri roztoceni. Na udrzeni ocasu ve vysu by asi velka vychylka nemela by potreba, ne?
Ted mam podezreni na tahlo. Ma tloustku 1mm, delku cca 27cm. Kdyz roztocim vrtulku bez listu se zapojenym tahlem a pomalu hybem servem, aby tlacilo tahlo, toto se zacne prohybat az narazi na vrch diry v drzacich tahla. V tomto pohybu to ruzne pruzi. To asi neni uplne spravne, ne? Na rcmani jsem dostal radu pouzit namisto drateneho tahla uhlikovou trubku 3/2mm. Zitra ji zkusim koupit, nejak spachat uchyceni na ocka (v Praze jsem nenasel skladem koncovky) a zkusim. Snad to bude lepsi nez dnes (to ale dost foukalo - podle mereni ze sousednich Dobrichovic cca 5-6m/s, v narazech 7-10m/s) a ocas byl uz opravdu dost neklidny...
Ted mam podezreni na tahlo. Ma tloustku 1mm, delku cca 27cm. Kdyz roztocim vrtulku bez listu se zapojenym tahlem a pomalu hybem servem, aby tlacilo tahlo, toto se zacne prohybat az narazi na vrch diry v drzacich tahla. V tomto pohybu to ruzne pruzi. To asi neni uplne spravne, ne? Na rcmani jsem dostal radu pouzit namisto drateneho tahla uhlikovou trubku 3/2mm. Zitra ji zkusim koupit, nejak spachat uchyceni na ocka (v Praze jsem nenasel skladem koncovky) a zkusim. Snad to bude lepsi nez dnes (to ale dost foukalo - podle mereni ze sousednich Dobrichovic cca 5-6m/s, v narazech 7-10m/s) a ocas byl uz opravdu dost neklidny...
TDF, TDR, Logo 600SX, Oxy 4 Max @ 3Digi, VBar Neo, Spirit, Grapuner mz-32, mx-20
